聯係電話:
0523-8733 8088
產品(pǐn)詳情
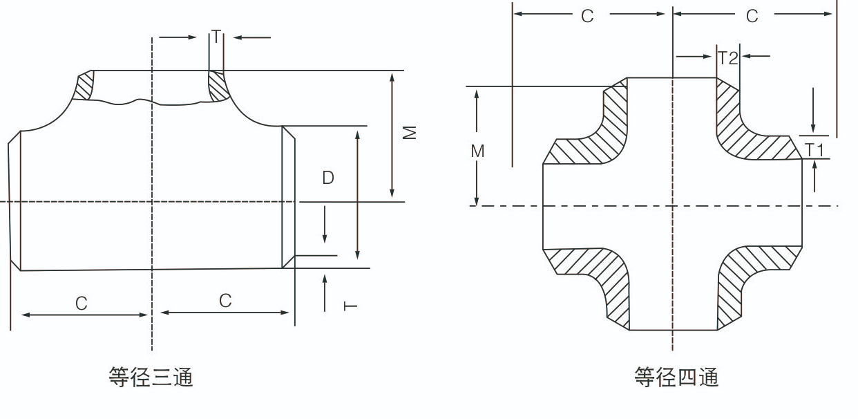
三通(tōng)又稱管件三通或三通管件、三通接頭等。主要(yào)用於改(gǎi)變流體的方向,用於主管支(zhī)管。它可以按管道(dào)尺寸進行分類。一般由碳鋼、鑄鋼(gāng)、合金鋼、不鏽鋼、銅、鋁合金、塑料、氬氣、聚氯乙烯等(děng)材料製(zhì)成。


當前位置: 首頁 > 通(tōng)用閥門法蘭管件 > 管件係列
三通(tōng)又稱管件三通或三通管件、三通接頭等。主要(yào)用於改(gǎi)變流體的方向,用於主管支(zhī)管。它可以按管道(dào)尺寸進行分類。一般由碳鋼、鑄鋼(gāng)、合金鋼、不鏽鋼、銅、鋁合金、塑料、氬氣、聚氯乙烯等(děng)材料製(zhì)成。



蘇公網安備(bèi) 32128302001489號