聯係電話:
0523-8733 8088
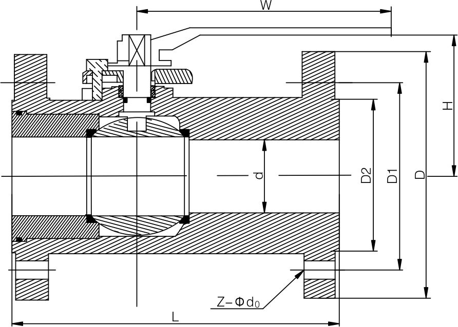
1、閥(fá)門采用整體鑄造,杜絕中部外漏,閥蓋采用六角式,裝(zhuāng)配緊(jǐn)實,配套法蘭(lán)密封圈,杜絕外漏。
2、防火結構:當發生火災時,球體隨閥座的介質力,使球體緊密接觸通(tōng)道口處的(de)金屬唇,達到防火硬(yìng)密封功能。
3、防靜電結構:不鏽鋼鋼珠(zhū)受強力彈簧加載,確保球體(tǐ),閥杆和殼(ké)體三者通(tōng)路,產生的靜電暢通(tōng)輸出。
4、防閥杆飛出(chū)結構:閥杆(gǎn)一體台階,確保閥(fá)杆受壓不飛出。
5、閥杆五級密封結構:第一級為倒(dǎo)密封墊片,第二級為(wéi)VITON或者全氟迷O型圈,第三級為VITON或者全氮迷O型圈(quān),第四級為V型PTFE、增強密封、柔性石墨、ISO15848填料密封,第五級密封為碟簧墊,在溫度和壓力瞬間變化,釋放瞬間產生的膨脹(zhàng)和壓力值(zhí),可以自動補償,從而達到良好的密封效果,保證閥杆的密封。
6、閥座材料可以多種選擇,常用(yòng)日本大金RPTFE,TFM1600,TFM4215,耐高溫KFM,PEEK,耐低溫PCTFE等。
7、閥座結構為(wéi):弧麵密封具有刮刀效果,密封更寬,密封效果更顯著。帶泄壓口,開關更輕巧。







