联系电(diàn)话(huà):
0523-8733 8088
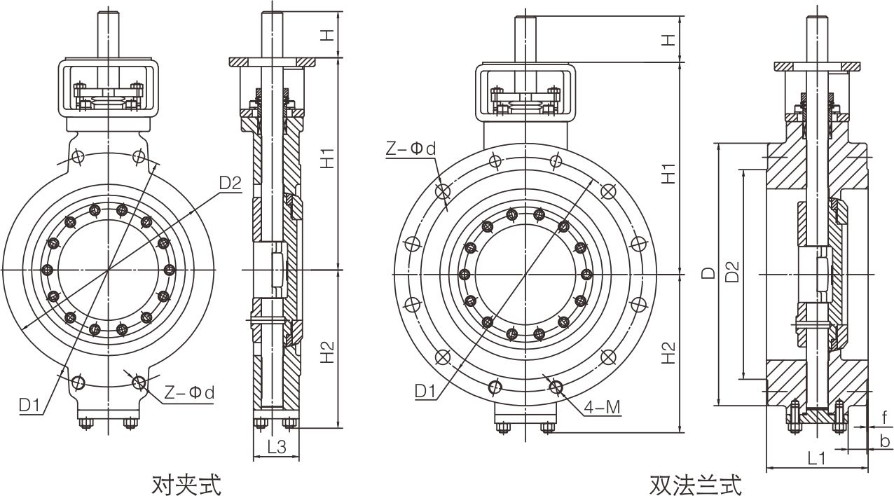
零泄漏蝶阀
产品概况
零泄漏蝶阀采用非摩擦式金属密封件以小的(de)扭矩实现了零泄(xiè)漏,并且具有固(gù)有的防火安全性。标准阀座和(hé)密封圈材料是不锈钢,其他材料包括可用的司(sī)太立(Stellite)覆盖层。密封环的弹性可确保(bǎo)与阀座的周边均匀密封,无论流动方向如何均可实现完(wán)全关(guān)闭。采用(yòng)的是零泄漏(lòu)原(yuán)理设计(jì),使密封面的空间运动(dòng)轨迹达到理想化,密封面(miàn)相互之间无磨擦、无干涉、加之(zhī)密封材料选择得(dé)当,从(cóng)而(ér)使蝶阀的密(mì)封性、耐(nài)腐(fǔ)蚀(shí)性、耐高温性和耐磨性等(děng)得到了(le)可靠的保证。该阀为高(gāo)温和苛刻应用场合提(tí)供了坚固的金属密封圈,以确保在整个(gè)压力、温度范围内双向关闭。可安装在温度≤425℃的介质的工业管网上作调节(jiē)流量和切断介质用。
1、结(jié)构(gòu)先(xiān)进,优化创新设计。
2、密封可调节更换,提高效益、延(yán)长寿命。
3、阀门密封副(fù)间无滑动摩擦、无卡挤,阻力小,扭矩低,操作启闭轻松。
4、零泄漏结构,开启密封即分离,关闭接触即密封,可真正实现双向密封。
5、轴向(xiàng)定位装置(zhì),解决轴(zhóu)向蝶板窜动而引起上下密封面部分压伤、磨损(sǔn)泄漏的难(nán)题。
6、适用高温、高压(yā)工况,且特别适用要求高密封性能的工况。







