Tel
0523-8733 8088
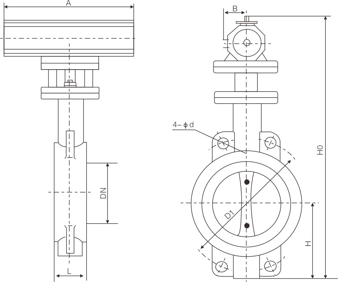
Soft sealing butterfly valves are usually used for regulating flow and cutting off fluid in water supply and drainage, gas pipelines, such as food, medicine, chemical, petroleum, power, light textile, paper, etc., with a temperature of ≤ 120 ℃ and a nominal pressure of ≤ 1.6MPa. Its main characteristics are:
◆The design is novel and reasonable, with a compact structure, light weight, and fast opening and closing.
◆ Small operating torque, convenient operation, labor-saving and agile.
◆It can be installed in any position and is easy to maintain.
◆The sealing element can be replaced, with reliable sealing performance and the ability to achieve bidirectional sealing with zero leakage.
◆Sealing materials have characteristics such as aging resistance, corrosion resistance, and long service life.






