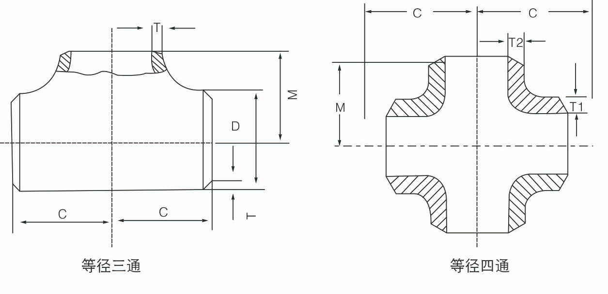
不鏽(xiù)鋼三通

產品概(gài)況

成型工藝(yì):1/2“-16”內臌脹冷加工(gōng)成型;18”-48”熱壓成型。

尺寸:1/2"-24"(DN15-DN1000)

標準:GB/T12459,GB/T13401,SH3408,SH3409,HG/T21635,HG/T21631,ASMEB16.9,MSSSP-43,DIN2615,JISB2313

壁厚:SCH5S-SCH160

材質:SF2225,SF2205,SF2507,合金鋼(gāng),碳素鋼,低溫用鋼,304,304L,316L等


產品詳(xiáng)情

三通(tōng)又稱管件三通或三通管件、三通接頭等。主要(yào)用於改變流體的方向,用於主管支管。它可以(yǐ)按管道尺寸進行分類。一般由碳鋼、鑄鋼、合金鋼、不鏽鋼、銅、鋁合金、塑料、氬氣、聚氯乙烯等材(cái)料製成。


不鏽鋼三通(圖1)


不鏽鋼三通(圖2)

產品推薦